Rt9301 3 Channel Low Dropout Rgb Led Driver Richtek Technology

Rt9301 3 Channel Low Dropout Rgb Led Driver Richtek Technology

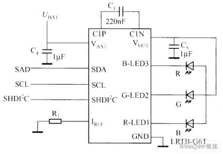
Rgb Led Driver

Rgb Led Driver

Lp5018 Data Sheet Product Information And Support Ti Com

Lp5018 Data Sheet Product Information And Support Ti Com

Layman S Rgb Led Module Circuit

Layman S Rgb Led Module Circuit

Ktd2037 3 Channel Rgb Led Driver With I2c Control Autoblinq

Ktd2037 3 Channel Rgb Led Driver With I2c Control Autoblinq

Ktd2026 3 Channel Rgb Led Driver With I2c Control Kinetic

Ktd2026 3 Channel Rgb Led Driver With I2c Control Kinetic

Ktd2026 3 Channel Rgb Led Driver With I2c Control Kinetic

Max16809 Integrated 16 Channel Led Driver With Switch Mode Boost

Max16809 Integrated 16 Channel Led Driver With Switch Mode Boost

Ft886c Rgb Led Strip Ic Driver

Ft886c Rgb Led Strip Ic Driver

Products On Semiconductor

Products On Semiconductor

Rgb Driver Ic Arrowdriver

Rgb Driver Ic Arrowdriver

Ncp5623 Typical Application Reference Design General Led Driver

Ncp5623 Typical Application Reference Design General Led Driver

Simple Rgb Led Controller Circuit Homemade Circuit Projects

Simple Rgb Led Controller Circuit Homemade Circuit Projects

Programmable 12 Channel Rgb Led Driver Enhances Lighting Effects

Programmable 12 Channel Rgb Led Driver Enhances Lighting Effects

Ws2811 Led Driver Ic

Ws2811 Led Driver Ic

Ams As1112 Is A 100ma 16 Channel Led Driver With 12 Bit Pwm Dot

Ams As1112 Is A 100ma 16 Channel Led Driver With 12 Bit Pwm Dot

Ltc3206 Datasheet And Product Info Analog Devices

Ltc3206 Datasheet And Product Info Analog Devices

Matrix Driver Ic Supports Up To 192 Leds Electronics Lab

Matrix Driver Ic Supports Up To 192 Leds Electronics Lab

Rgb Led Drivers Illuminate Millions Of Colors Octopart

Rgb Led Drivers Illuminate Millions Of Colors Octopart

Ncp5623c Datasheet Pinout Application Circuits Triple Output I2c

Ncp5623c Datasheet Pinout Application Circuits Triple Output I2c

An32183a Reference Design Led Display Driver Arrow Com

An32183a Reference Design Led Display Driver Arrow Com

Source : pinterest.com